Electricidade

Serviço de Electricidade e Instalações Eléctricas

Realizamos montagem, manutenção e modernização de painéis de comandos elétricos e automação, sempre com foco em confiabilidade e inovação. Transformamos complexidade em simplicidade, garantindo que a sua indústria opere de forma contínua e inteligente.

  • Design e Desenvolvimento de Plantas baixas de electricidade
  • Montagem de Quadrsos e Sistemas Eléctricos
  • Instalação de Motores e Geradores Eléctricos
  • Serviços Gerais de Electricidade
  • Instalações Eléctricas Prediais e Industriais
  • Dimensionamento de Eléctricos
  • Partida de Motores
Instrumentação

Serviço de Instrumentação Industrial

Calibração e Certificação de equipamentos de testes e medição

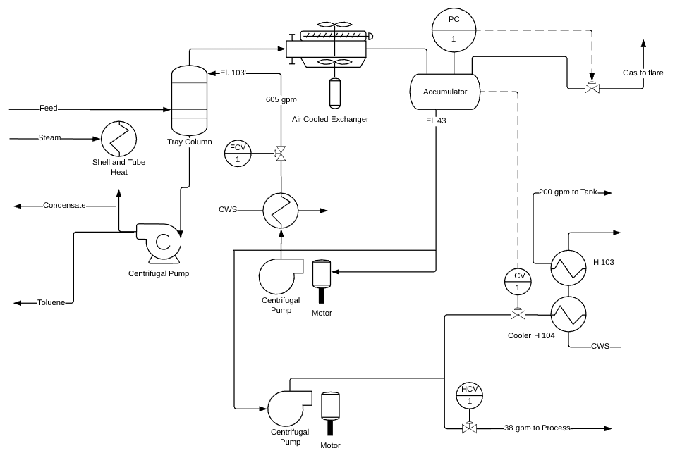
Design e Instalação de sistemas de tubulação (P&IDs)

Instalação de Sistemas Hidráulicos e Pneumáticos

Instalação e manutenção de sistemas de oléo e gás

Instalação de sistemas de tubulação hidráulica e accionador de válvulas

Instalação de Detectores de Incêndio e Gás e sistemas ESD

Instalação de sistemas de energia eléctrica, motores e geradores

Reparação e Manutenção de Sistemas de Instrumentação e Controlo